Im Rahmen der "Orca Red Sea Silent Woche", in der sich alles ums Tauchen mit Kreislaufgeräten drehte und während der die neuesten Geräte vorgestellt und getestet werden konnten, hatte ich Gelegenheit, alle wichtigen Systeme auszuprobieren.
Von allen getesteten Systemen war das Liberty nach meiner persönlichen Empfindung das beste. Hierzu muss ich anmerken, dass ich ein Technikfreak bin. Daher stellt die geballte Ladung Technologie des Liberty für mich einen besonderen Reiz dar.
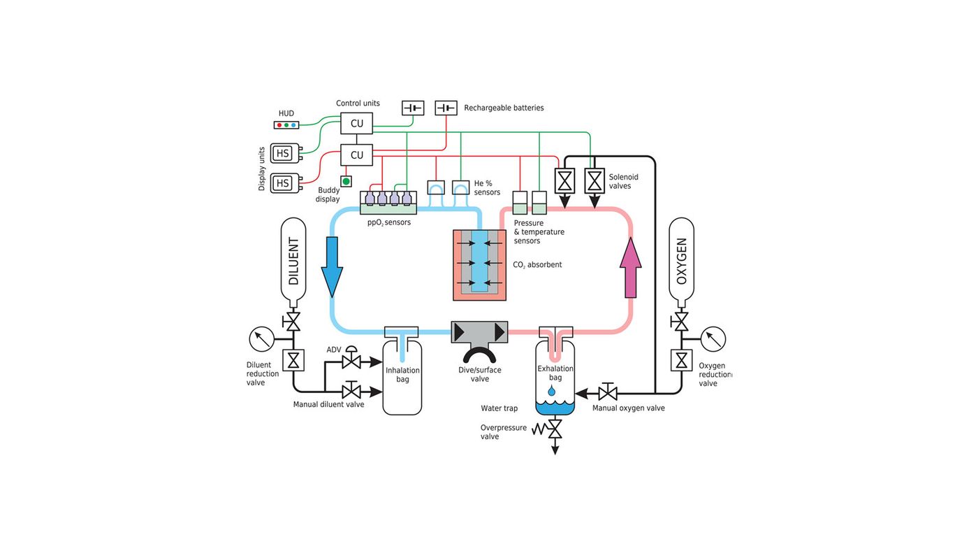
Technik
Die Ausstattung mit zwei unabhängigen Rechnern, vier ppO2-Sensoren (je zwei pro Rechner), zwei Helium-Sensoren (je einer pro Rechner), zwei Druck- und Temperatursensoren (je einer pro Rechner) und gleich zwei Solenoiden ist phänomenal. Tatsächlich haben wir hier eine echte Redundanz – und das in einem Gerätekopf, dessen Komponenten alle gekapselt und somit vor Wassereinbruch geschützt sind. Die Verarbeitung macht einen erstklassigen Eindruck.
Passgenauigkeit, Materialstärke, Materialbeschaffenheit – hervorragend.
Der Aufbau des Kalkbehälters und die Anordnung der Komponenten passt ebenso. Schönes Detail: der integrierte Behälterständer, der in der aktuellen Fassung noch etwas zu klein und kippelig geraten ist. Das soll aber in zukünftigen Versionen optimiert werden. Die Rechner sind Eigenentwicklungen mit einer durchdachten Software.
Funktionen
Systemchecks, PreDive-Checks und Tauchinfos sind sauber strukturiert und einfach zu bedienen. Interessant ist die Möglichkeit, neben der klassischen Bedienung mit den seitlichen Knöpfen auch mit integrierten Lage-/Beschleunigungssensoren Auswahlen zu treffen und zu bestätigen. Die Displays sind kontraststark – exzellente Ablesbarkeit war auch in der Sonne Ägyptens vor dem Einstieg gegeben. Das Head-Up-Display ist gut positioniert und leicht ablesbar. Ein besonderes Gimmick ist die Möglichkeit eines Buddy-Displays, mit dem die Parameter eines anderen Liberty-Tauchers verfolgt werden können.
Handling & Tauchen
Das Handling des Geräts ist gut. Der integrierte, aber etwas verbesserungswürdige Ständer erleichtert die Vorbereitungen. Die Anordnung der Komponenten entspricht dem Standard. Nachteilig wird sich für viele Nutzer das Gesamtgewicht des Systems darstellen. Mit Kalk, Flaschen und Trimmblei hatte ich ein Tauchgewicht von rund 42 Kilogramm (Leergewicht zirka 32 Kilogramm). Das ist der Preis für die vergossenen Komponenten im Kopf. Die bequeme Harness-/Backplate-Kombination und die gute Gewichtsverteilung führen jedoch zu einem Tragekomfort, der dem vieler leichterer Systeme überlegen ist. Mir persönlich hat das Gewicht nichts ausgemacht. Bei Flugreisen ist hier natürlich ein Zuschlag fällig.
Im Wasser kann das Liberty seine Stärken voll entfalten. Das hohe Systemgewicht wird hier irrelevant.
Die Tauchlage ist hervorragend. Der Sitz und Trimm der Einheit sind sehr bequem. Der sehr geringe Atemwiderstand ist ein Plus an Komfort. Und das automatische Diluent Ventil (ADV) arbeitet sehr reaktionsschnell und präzise. Eine ähnliche Performance habe ich sonst nur beim JJ-Kreislaufgerät erlebt. Alle Bedienelemente sind logisch angeordnet und leicht zu erreichen. Ich habe das System unter Wasser in allen möglichen Tauchlagen (inklusive kopfüber, Rollen, usw.) getestet und hatte zu keinem Zeitpunkt Komforteinbußen oder Systemfehler zu beklagen
